銷售①:13508662630 銷售②:13507271573
公司地址:襄陽市樊城區春園西路賈洼工業園 郵箱:xfycdq@163.com
首先我們要做到電機軟起動柜,也就是專門為電機打造的起動柜,那么運用的話,要繞線電機起動柜,有籠型電機起動柜,有液體電阻起動柜,那么運用在繞線電機的基本都是用液體......
發布時間:2017-04-25
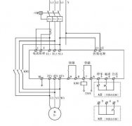
那么也許我們并不是很了解這個電機軟啟動器與旁路接觸器控制回路接線圖,下面我們就針對這個來分析一下。 電機軟啟動器 軟啟動器 是一種可以使交流電動機在啟動時降低啟......
發布時間:2017-04-25
那么大家都知道無功補償張志有自己的優點,那么肯定也有自己的缺點了,那么下面我們就來分析一下無功就地補償也有其缺點分析一下了。 (1)無功就地補償不能全面取代高壓......
發布時間:2017-04-25
那么很多人都不是很了解無功就地補償有哪些優點和缺點解析,那么我們來分析一下這個設備的運用范圍和優點,與缺點解析一下了。 無功就地補償電網中的電力負荷如電動機、變......
發布時間:2017-04-25
那么我們來分析一下 液阻柜接線圖與一次回路圖詳解,各位也許并不是很了解液阻柜這個東西,其實俗話就是水阻柜,也是運用在繞線電機上面的起動柜,各位對于起動柜應該是不......
發布時間:2017-04-25



(不想等待可點擊按鈕通過QQ進行溝通,或直接電聯。)
關閉