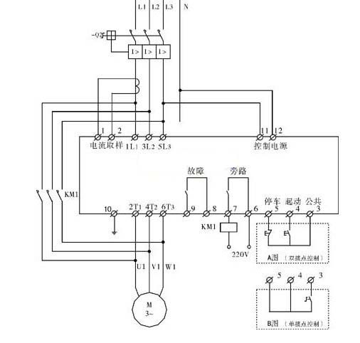
那么也許我們并不是很
了解這個
電機軟啟動器與旁路
接觸器控制回路接
線圖,下面我們就針對這個來
分析一下。
電機軟啟動器
軟啟動器是一種可以使交流電動機在啟動時降低啟動電流的裝置,當電動機完成啟動過程后,裝置可以根據設定的時間啟動旁路接觸器將
軟啟動裝置從電機主回路切除,由旁路接觸器和電機的主接觸器接通電機動力回路,因此一臺
軟啟動器可以實現多臺電動機的軟啟動,另外轉換過程的時間要根據電機的啟動時間來設定,一般也就在10幾秒左右。
電機軟啟動器電機軟啟動器與旁路接觸器控制回路接線圖